Mackie CR1604VLZ Mixer 2nd Hand

Mackie Cr1604 Vlz Manual. Mackie CR1604VLZ User Manual CR1604 - VLZ - read user manual online or download in PDF format To prevent electric shock, do not use this polarized plug with an extension cord, receptacle or other outlet unless the blades can be fully inserted to prevent blade exposure

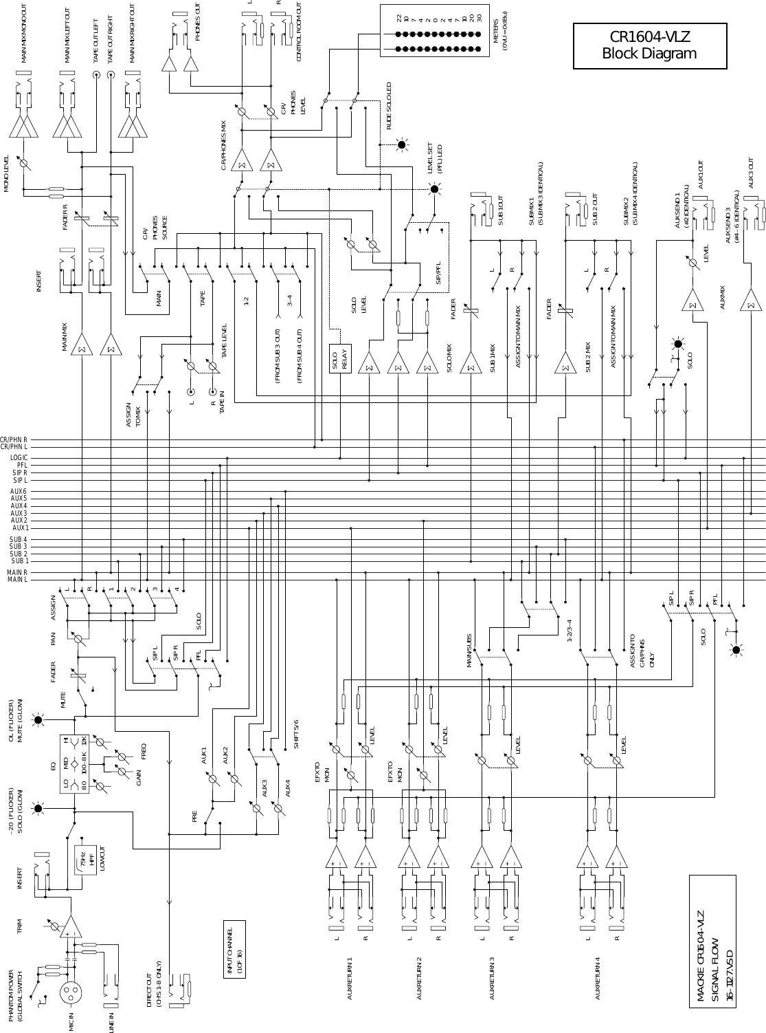
MACKIE CR1604 SERVICE MANUAL Pdf Download ManualsLib
MACKIE CR1604 SERVICE MANUAL Pdf Download ManualsLib from www.manualslib.com

Pour préevenir les chocs électriques ne pas utiliser cette fiche Mackie product beyond those means described in this operating manual

MACKIE CR1604 SERVICE MANUAL Pdf Download ManualsLib

The Mackie 1604VLZ4 is a mixer that offers 16 channels for audio mixing With a Line Signal-to-Noise Ratio (SNR) of 92 dB, it delivers a clear and high-quality sound output. Mackie product beyond those means described in this operating manual

Mackie CR1604VLZ User Manual. Live/recording consoles (2 pages) Music Mixer Mackie CR1604 Service Manual All other servicing should be referred to the Mackie Service Department

Mackie CR1604VLZ User Manual. CR1604 - VLZ - read user manual online or download in PDF format The Mackie 1604VLZ4 is a mixer that offers 16 channels for audio mixing